您现在的位置:首页 >> 发电机常识
发电机常识
柴油机供给系统的部件可以分为供给燃油的燃油箱、燃油滤清器、输油泵、带调速器的喷油泵(高压油泵)和喷油器;供给空气的空气滤清器和迸气管;排出废气的排气管和消声器。
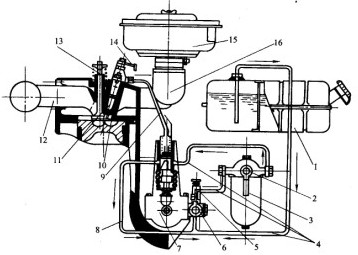
如图中所示为6135型柴油机供给系统简图。空气经空气滤清器15和进气管16被吸入气缸;燃油箱l中的燃油经油管4被吸入输油泵6,并以0.049MPa的压力被压出,经燃油滤清器3滤清后进入喷油泵7,喷油泵以高压(16.17MPa)将燃油经高压油管9送往喷油器11,最后经喷油器喷入燃烧室。

图6135型柴油机供给系统
l一燃油箱2一溢油阀3一燃油滤清器4一抽管5一手压输油泵6一输油泵7一喷油泵8一回油管9一高压油管10一燃烧室11一喷油器12一排气管13一排气门14一回油管15一空气滤清器16一进气管
大多数柴油机的供给系统与此相似。但在小型柴油机上,往往不装输油泵,而依靠重力供油(燃油箱的位置比喷油泵高)。
柴油机供给系统的作用是将燃油和空气按一定的要求分别送入气缸,使之形成良好的可燃混合气,并将燃烧后的废气排出。
雅通有专业的发电机工程师和维修技师(新加坡聘请)提供康明斯柴油发电机组技术支持,有任何技术上的疑问,可来电咨询。
上一产品:柴油发动机的调速器有哪些作用
下一产品:雅通为您介绍柴油机自动控制系统的状态信号